车窗防夹功能的实现,本质上是对车窗电机扭矩变化的辨识:当车窗碰到障碍物时,为了克服阻力,电机输出转矩会随之增大;而因为  和  是常数,所以流过电机的电流  会随之增大。因此可以将电机电流作为防夹的判定的依据对其进行采样。此外,在防夹应用中,位置检测也非常重要;一方面需要通过检测车窗位置判断车窗玻璃是否处于防夹区域之内,防夹功能是否需要被激活;另一方面,车窗在上升过程中不同位置的电机电流可以作为防夹判断的参考值,对于提高防夹判断精度有着重要意义。

而目前在车窗防夹的应用中,常见的位置检测方法有霍尔传感器检测法和电流纹波检测法。前者通过电机轴上安装磁环,产生随电机转动而变化的磁场,再使用霍尔传感器,感知磁场的变化,间接地检测电机转动和车窗的位置。而后者则是根据有刷电机在换相过程中产生的电流纹波来检测电机位置。两者各有优缺点:霍尔传感器检测法检测结果较为准确,但是,为了提高磁场检测的灵敏度,要求将霍尔传感器贴近磁环固定,这实际上增加了安装和器件的成本,也影响了系统的可靠性;而电流纹波检测法成本低廉,可靠性高,但是对电流采样速度和精度要求较高,软件开销也要大于霍尔传感器检测法。

image.png

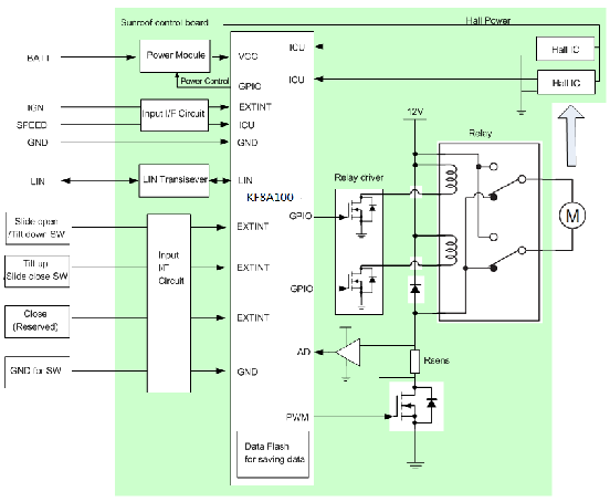
                                               图1:基于KF8A100GQP的车窗防夹方案框图


图 2显示的就是电机转动过程中的电流采样的结果:电机每旋转一周,就会产生固定数量 N 的电流纹波(见图 2中空心线)。车窗运动的行程与电机的电流纹波数量成线性关系。只要能够识别出电流纹波的数量,就可以计算出车窗运动的行程,也就能确定车窗的高度位置。本文提出了一种对于电流采样结果的软件处理方法,可以将不规则的纹波信号转换成规则方波信号,从而使计算更加准确方便。具体实现过程如下:

image.png

                                                                图2:电流纹波示意图

首先,先设置一个由若干个元素组成的数组,譬如 11 个元素的数组 i[11]。每次采样电流值,都先把数组里的所有元素往前移动一个元素(i[0]=i[1], i[1]=i[2], i[2]=i[3]…i[10]=i[9]),再将最新采样的电流值存储在最后一个元素里(i[10])。然后将最新的采样值和该数组下标较小的元素比较(i’[10]=i[0]和 i[10]进行比较)这样做实际上是通过软件起到延迟的作用。如果 i’[10]=i[0]< i[10],将变量 RIP 的值先存储到另一个变量 OLD_RIP 里,然后 RIP=1。相反,如果 i’[10]=i[0]> i[10],将变量 RIP 的值先存储到另一个变量 OLD_RIP 里,然后 RIP=0。为了理解上更加直观,可以用图 6 中的示意图来表示。如果 OLD_RIP 与 RIP 数值不一样,那么说明如图 6 中的方波发生了跳变沿的变化,发生两次跳变沿的变化,即表示产生一个完整的纹波周期。因此,这样就可以方便地计算出纹波数量,从而得到车窗的位置信息。



使用条款

本站允许访问者查看其上的材料,但只能用于个人的、非商业用途,且不侵犯本站资料的任何著作权及其他合法权利。

免责声明与责任限制
您使用本站不构成您与本站所有者的合同,本站内容只作为邀约邀请,而不是对您的邀约;本站也没有任何担保(包括但不限于针对特定目的的适用性和不侵犯知识产权等方面)。 如果您不理解邀约邀请的含义和后果,请在请教他人后使用。

在任何情况下,无论是根据合同或侵权行为抑或其它任何法律理论,也无论本站是否被告知有此类损害的可能性,本站及其与本站有合作的任何其它第三方均不对由于本站、链接到本站点的任何其他站点或者包含在任何或所有此类站点中的信息或服务的使用、无法使用或使用结果而造成的任何损害负责,包括但不限于直接的和/或间接的利润损失、数据损毁、精神损害等。

本站力求给您提供安全、通畅的访问和其他服务,但由于Internet线路、垃圾邮件、黑客入侵或其他不可抗力等原因直接给您造成了损害,本站不负任何责任。

注册用户应在线提交问题后,应在此后登陆会员区查看问题的处理结果,因各个邮件服务器反垃圾策略不同可能导致您不能完全依赖电子邮件获得本站的信息反馈。

本站中指向其他第三方站点的链接

本站某些内容指向其他第三方站点的链接仅仅为访问者方便。如果您使用这些链接,您将离开此本站。您通过由本站而链接到的第三方站点,您应自行承担可能的风险,本站不保证第三方站点的安全性。

与本站进行链接

您可以创建从自己拥有的站点或其它站点到本站的链接,但您不得使用包括但不限于隐藏本站域名、URL地址、改变本文本结构等任何技术的、非技术的手段使访问本站的访问者误认为您是本站所搭载内容的所有人;不得用与本站的链接为自己进行增加访问量、丰富内容、搜索引擎排名等任何营利;不得复制本站的内容;不得断章取义地链接某一内容,不得对本站内容进行虚假的陈述;不得侵犯本站的商标或标识。


使用条款

以下为使用IT168.com(下称「本网站」)的有关条款(下称「本条款」)。另行列出的《隐私政策》为本条款的一部分,作为释义或其它用途。若不接受本条款,请不要使用本网站提供的服务。当您使用本网站提供的服务时,即表明已详细阅读及了解本条款,并同意受本条款约束。本网站可能随时以更新网页方式单方面修改本条款,而不会作另行通知。您应定期浏览此网页,以了解对您具有约束力的条款是否有所修改。若您违反任何条款,或本网站怀疑您违反任何条款,或本网站相信您的行为违反适用法律或损害本网站或其用户的利益,本网站可在您获知或不获知的情况下终止您进入本网站及使用各项服务,并采取法律行动。

1.网站的合法用途

本网站是由多个网页组成的大型网络端口,目的是让用户取得实时新闻报导及各种各样的信息和资源。除经特别声明外,本网站的任何新增服务、特点和功能均受本条款约束。

您只可使用本网站作合法用途,不可利用本网站以任何方式侵犯别人的知识产权;或侵犯本网站上其他用户的隐私以获取其身份或任何个人资料;或破坏本网站的任何部分。您有责任判断是否有上述的侵权行为。您不得登载任何错误或虚假的信息,或者侵犯或违反任何第三方权利的信息,也不得登载关于您本身或您权益的不实陈述。您必须遵守登载在网站上的政策。您知道本网站既不对您在本网站上登载的内容提供任何包括查阅、删除或编辑在内的协助,也不对您使用本网站提供任何客户服务。如果您有进入本网站的密码,不得与任何第三方分享。

您不得利用本网站传输、出版、上载、登载或流通任何非法、有害、恐吓、骚扰、侵权、毁谤、淫秽、中伤、违反他人隐私或名誉权、违反他人知识产权、或者任何其他具攻击性或令人不悦的资料或信息。此外,您不得以任何方式篡改任何资料,也不得以任何方式干扰本网站的运营,包括但不限于传输软件病毒,或者传输专门用来中断、干扰或改变网站运营的任何计算机代码或消息。您也不得利用本网站收集本网站用户的资料。 在没有本网站的明确许可下,本网站及其任何部分均不得翻版、复制、翻印、售卖、转售或以其它方式利用本网站作商业用途。

本网站尊重著作权法,亦坚持用户同样尊重著作权法。在未获得授权情况下复制、分发、修改及向公众展示有著作权的作品,属侵犯著作权所有人的权利。作为本网站用户的条件,您须同意不会使用本网站侵犯别人的知识产权。本网站将保留权利终止任何被发现利用本网站侵犯著作权或他人知识产权的用户的使用。

2.网站资料的使用

本网站的内容,如文字、图形、图像、音乐、标识、图标按钮、链接、HTML编码、商标、软件和其他资料(以下统称"资料"),以及本网站所有资料的汇集(指收集、安排和汇编)均受著作权法、商标法和其他适用法律的保护。所有资料和资料的汇集均属本网站或本网站的内容提供者或客户的专有财产。未经授权擅自使用任何资料将违反著作权法、商标法和其他适用法律。如果您复制任何资料,您必须在复制件上保留原资料中有关版权、商标、服务标志以及其他专有权的告示。您只能复制一份资料,并且除非这些资料另有具体规定,复制件仅可用在私人、非商业用途。未经本网站事先的书面同意,您不得为了任何公共或商业目的销售或更改资料,或者复制、重制、再版、上载、下载、登载、传送、显示、公开执行或以任何方式发送资料,或将资料存储于检索系统,或以其他任何方式使用资料。

3.资料的公开披露

在发出任何资料以前,您须检查您是否在本网站的公共区域(如论坛等)发出该资料。如果您是在公共区域发出资料,您承认您是出于自愿并且任何人可以使用该资料。所有您自愿在公共区域提供的资料将不被视为是由本网站收集的,并且本网站没有任何责任处理其他人在本网站的公共区域提供的有可能失实、误导、淫秽、非法或诽谤的该类资料。您承认本网站无法控制核查所有该类资料的真实性,并且本网站也没有任何责任处理任何要求改正或删除该类资料的请求。

4.关于产品和服务

本网站所提供、介绍或提及的商品、产品或服务有可能由第三方提供。对于这类产品,本网站无法、也不会就您应第三方要求而向其提供的任何资料的安全作出任何陈述和保证。本网站建议,在与任何此类第三方进行任何网上或网外交易之前,您应作一切您认为必要或适当的调查。在法律允许的最大限度内,对所有明文或隐含的、关于商品的适销性和具体用途的陈述和保证,以及对任何隐含的、涉及商品的性能和使用过程的保证,本网站一概免责。在任何情况下,对与本网站上所提供、介绍或提及的资料或商品的使用、无法使用、运作或无法运作有关的损失,本网站概不负责。此类损失的范围包括但不限于:为获取替代货品或服务的所支付的费用、利润损失、数据资料损失、以及任何直接、间接、特殊、惩罚性、伴随性、惩戒性、或继而引起的损失。网站上对商品、产品或服务的提供、介绍或提及仅仅是第三方所作的交易邀请。

5.用户资料的收集

作为用户,您可能须向本网站提供您的资料。在使用本网站的不同时间,您可能会被要求向本网站提供个人身份证明资料,包括但不限于姓名、出生日期、性别、联络资料、身份证号码或护照号码、ICQ或OICQ号码、电子邮件地址、信用卡资料、银行户口号码、教育程度、职业、家庭收入、兴趣和喜好之活动。您同意该资料是您自愿向本网站提供的。您必须保证提供的资料准确、属实、有效和完整。如果并非如此或本网站有合理理由表示怀疑,本网站有权拒绝您现时或将来使用本网站提供的服务。

若您提供的资料不齐全或不正确,本网站可能不容许或终止您进入本网站,或可能无法向您提供或继续提供服务。您明白您向本网站提供的任何及所有资料将会被收集及可能作下列用途,可用来作为:

(a)收集数据作身份核证及纪录;
(b)将资料进行分析及与他人的资料作比较,藉以按需要制定产品或服务及/或市场推广直销或其它方式计划;
(c)让本网站能履行其结连网络的责任或他业内实务上的责任;
(d)向您发出有关不同产品和服务的资料;
(e)保存通讯联络资料;
(f)作有关网站使用的总量统计;
(g)将用户的数据与用户所提供的其它资料(不管作何种用途)作比较,包括无限制地进行与用户对立之行动(不管有关比较是用人手或自动化方法进行);
(h)不时向用户传送由本网站选择的任何其它组织的宣传及/或市场推广资料或其它信息;
(i)满足现行适用的任何法律、行政制度或规例的要求,包括披露或通知要求;
(j)执行用户的指示,响应该用户或以该用户名义提出的查询,并向用户提供有效而快捷的服务。

本网站对于收集、使用、保存、披露、转移、保护及存取资料的政策和做法,均符合法律规定,并符合本文条款及《隐私政策》。

您确认并同意,您在本网站上放置的任何资料或资料,您对其形式、内容和准确性负有全部责任。 您同意本网站为达到以下目的而在合理、必要的情况下可公开您的资料,即为了

(a)遵守有关法律,
(b)执行或实施本网站的任何用户协议的条款,
(c)保障本网站及本网站用户的权利、财产或利益,或
(d)遵守隐私政策声明。

您知道根据隐私政策,您有权查阅本网站持有的您的资料,有权要求更正您的资料,有权知道对任何此类要求所采取的行动,并且/或有权要求在您的资料上附上您发给公司的声明以陈述您已要求更正资料。为了满足您在这方面的要求而涉及的时间及工作,您同意向本网站支付本网站要求的合理收费。 鉴于互联网的性质,本网站不能保证数据传输百分之百的可靠性。但是本网站将采取所有实际可行的措施,确保由本网站收集到的任何资料不受第三方的干扰。但是,请知道本网站的广告商或在本网站上设有链接的其他网站可能在收集您的个人数据。本网站一旦收到资料,将按照一贯的严格安全和保密准则保存资料。

本网站将于您使用本网站期间,保留您的个人资料。您向本网站提供能核证个人身分的资料后,可能不时收到本网站的电子邮件及直销邮件,内含推广产品或服务等资料。若您不想收到此等资料,请致函、或致电我公司。 欲知悉有关本网站的隐私政策,请阅读下面的隐私政策。

6.链接

本网站内设有通往其他网站和网页的链接,但此类网站和网页并非由本网站经营或控制,本网站不承担责任。您启动任何此类链接或网页,离开本网站进入其他网站或网页,所有风险自负,本网站不承担一切责任和债务。

7.免责条款

网站内容可能不正确或有编排上的错误。本网站不承认所有默示和/或明示的保证、并且不保证内容的正确性、可靠性、完整性或及时性。本网站对内容以及网站上登载的或与网站链接的任何事物,包括但不限于任何谬见、错误、遗漏、侵权、毁谤、谎言、或者其他可能是犯法或会引起权利主张或投诉的资料或遗漏不承担任何责任。使用本网站及内容的后果自负。本网站可能随时或定期会有变动,请不时查阅资料。 本网站是在法律允许的最大范围内照"现状"提供资料和服务,但不提供任何种类的明示或保证。本网站不承认所有明示或默示的保证,包括任何对适销性,适于特定目的和不侵权的保证。本网站不保证资料的正确性、可靠性、完整性或及时性。本网站对网站内容的错误或遗漏,或者任何用户通讯或个人化装置的删除、传输错误或未存储不承担任何责任。

本网站不保证以下事项:本网站目前或今后任何时候毫无错误,本网站及其服务器目前或今后任何时候没有计算机病毒或其它有害机能,任何缺陷会被纠正,或者本网站的运作是及时、安全和不会中断的。如果由于您使用本网站,导致需要修理或更换设备或数据,本网站不负责任何由此而产生的费用。
凡由于使用或无法使用本网站,或任何执行失败、错误、遗漏、中断、删除、缺陷、操作或传送的延误、计算机病毒、通信线路失灵、线上通信的拦截、软件或硬件问题(包括但不限于丢失数据或兼容性问题)、偷窃、网站的破坏或改变所引起的,无论是因使用本网站或向本网站上载或从本网站下载或出版数据、文字、图像或其他资料或资料而直接或间接造成的违约、侵权行为、疏忽或任何其他诉因所引起的任何种类损害或伤害(包括但不限于意外损害、间接损害、利润的损失、或者因失去数据或业务被中断所造成的损害),且无论本网站是否已被告知此种损害的可能性,本网站或在本网站上提及的任何第三方在法律允许的范围内不应承担任何责任。

本网站所包含或提供的资料仅仅是提供信息,并根本不打算供交易或投资之用。对于在本网站上传输的任何资料的正确性、实用性或可获得性,本网站不承担任何责任。对于任何基于此类资料所作的交易或投资决定,本网站也不承担任何责任。 8.网站活动

本网站将不时进行各种网站活动。如果此类活动涉及赚取或累积积分或其他有价值的事物,本网站(根据本网站的记录)确定的积分点数应是最终和决定性的。若有争议,本网站的决定是最终的。本网站保留在活动期间随时修改关于活动的确切条款的权利。您同意并接受,在活动时做广告的任何商品或服务的提供当视乎可供的数量而定,而且如果此类商品经第三方同意,您同意并接受,只有在该第三方面同意的情况下方会提供此类商品。

9.与广告商之间的交易

您与本网站上的广告或通过网站与广告商有往来或商业交易,或参与广告商的促销活动,包括有关货品或服务的付款及交付,以及关于此类交易的任何其他条款、条件、保证或陈述,纯属您与广告商之间的交易。您同意,因任何此类交易或因广告商在本网站上出现而产生任何性质的任何损失或损害,本网站不对此负有责任。 10.适用法律

本条款根据中华人民共和国现行法律法规制订。您同意,若您向本网站提出任何索赔,将交由本网站所在地有管辖权的法院审理。

11.可分割性

本条款的任何一条或多条规定、或在任何情况下引用本条款的任何一条或多条规定,若在任何方面因任何原因被裁定为无效、不合法或无法执行,该条条款或条件在任何其他方面的有效性、合法性或可执行性,以及本条款和条件其余规定的有效性、合法性或可执行性、在任何方面均不受损。

12.赔偿

因您违反本条款的行为或不行为而引起的任何和一切索赔、程序、损害赔偿、伤害、债务、损失、费用和开支(包括合理的律师费用和开支),您同意向本网站及其相关公司、关联公司、高级职员、代理商、共同品牌所有人或其他合伙人及雇员作出补偿,为其辩护并使其免受损害。



隐私政策

使用条款和隐私政策

本应用尊重并保护所有使用服务用户的个人隐私权。为了给您提供更准确、更有个性化的服务,本应用会按照本隐私权政策的规定使用和披露您的个人信息。但本应用将以高度的勤勉、审慎义务对待这些信息。除本隐私权政策另有规定外,在未征得您事先许可的情况下,本应用不会将这些信息对外披露或向第三方提供。本应用会不时更新本隐私权政策。 您在同意本应用服务使用协议之时,即视为您已经同意本隐私权政策全部内容。本隐私权政策属于本应用服务使用协议不可分割的一部分。


一、适用范围

 (a) 在您注册本应用帐号时,您根据本应用要求提供的个人注册信息;

 (b) 在您使用本应用网络服务,或访问本应用平台网页时,本应用自动接收并记录的您的浏览器 和计算机上的信息,包括但不限于您的IP地址、浏览器的类型、使用的语言、访问日期和时间、软硬件特征信息及您需求的网页记录等数据;

 (c) 本应用通过合法途径从商业伙伴处取得的用户个人数据。

您了解并同意,以下信息不适用本隐私权政策:

 (a) 您在使用本应用平台提供的搜索服务时输入的关键字信息;

 (b) 本应用收集到的您在本应用发布的有关信息数据,包括但不限于参与活动、成交信息及评价详情;

 (c) 违反法律规定或违反本应用规则行为及本应用已对您采取的措施。


二、信息使用

 (a)本应用不会向任何无关第三方提供、出售、出租、分享或交易您的个人信息,除非事先得到您的许可,或该第三方和本应用(含本应用关联公司)单独或共同为您提供服务,且在该服务结束后,其将被禁止访问包括其以前能够访问的所有这些资料。

 (b) 本应用亦不允许任何第三方以任何手段收集、编辑、出售或者无偿传播您的个人信息。任何本应用平台用户如从事上述活动,一经发现,本应用有权立即终止与该用户的服务协议。

 (c) 为服务用户的目的,本应用可能通过使用您的个人信息,向您提供您感兴趣的信息,包括但不限于向您发出产品和服务信息,或者与本应用合作伙伴共享信息以便他们向您发送有关其产品和服务的信息(后者需要您的事先同意)。


三、信息披露

 在如下情况下,本应用将依据您的个人意愿或法律的规定全部或部分的披露您的个人信息:

 (a) 经您事先同意,向第三方披露;

 (b)为提供您所要求的产品和服务,而必须和第三方分享您的个人信息;

 (c)根据法律的有关规定,或者行政或司法机构的要求,向第三方或者行政、司法机构披露;

 (d) 如您出现违反中国有关法律、法规或者本应用服务协议或相关规则的情况,需要向第三方披露;

 (e) 如您是适格的知识产权投诉人并已提起投诉,应被投诉人要求,向被投诉人披露,以便双方处理可能的权利纠纷;

 (f) 在本应用平台上创建的某一交易中,如交易任何一方履行或部分履行了交易义务并提出信息披露请求的,本应用有权决定向该用户提供其交易对方的联络方式等必要信息,以促成交易的完成或纠纷的解决。

 (g) 其它本应用根据法律、法规或者网站政策认为合适的披露。


四、信息存储和交换

 本应用收集的有关您的信息和资料将保存在本应用及(或)其关联公司的服务器上,这些信息和资料可能传送至您所在国家、地区或本应用收集信息和资料所在地的境外并在境外被访问、存储和展示。


五、Cookie的使用

 (a) 在您未拒绝接受cookies的情况下,本应用会在您的计算机上设定或取用cookies ,以便您能登录或使用依赖于cookies的本应用平台服务或功能。本应用使用cookies可为您提供更加周到的个性化服务,包括推广服务。

 (b) 您有权选择接受或拒绝接受cookies。您可以通过修改浏览器设置的方式拒绝接受cookies。但如果您选择拒绝接受cookies,则您可能无法登录或使用依赖于cookies的本应用网络服务或功能。

 (c) 通过本应用所设cookies所取得的有关信息,将适用本政策。


六、信息安全

 本应用帐号均有安全保护功能,请妥善保管您的用户名及密码信息。本应用将通过对用户密码进行加密等安全措施确保您的信息不丢失,不被滥用和变造。尽管有前述安全措施,但同时也请您注意在信息网络上不存在“完善的安全措施”。


七、本隐私政策的更改

 (a)如果决定更改隐私政策,我们会在本政策中、本公司网站中以及我们认为适当的位置发布这些更改,以便您了解我们如何收集、使用您的个人信息,哪些人可以访问这些信息,以及在什么情况下我们会透露这些信息。

 (b)本公司保留随时修改本政策的权利,因此请经常查看。如对本政策作出重大更改,本公司会通过网站通知的形式告知。

请您妥善保护自己的个人信息,仅在必要的情形下向他人提供。如您发现自己的个人信息泄密,尤其是本应用用户名及密码发生泄露,请您立即联络本应用客服,以便本应用采取相应措施。